2、产品名称:工业用X射线CT校准设备
产品编号:20260112-02
产品质保:12个月


产品简介:技术参数与应用说明,仅供参考,更多详情请咨询:廊坊玉双仪器设备有限公司;
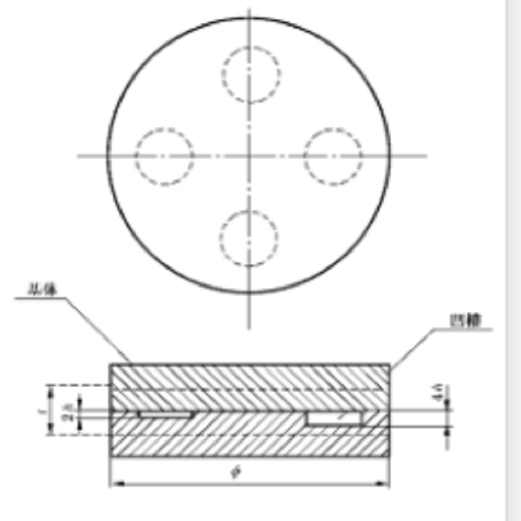
本工业用X射线CT校准设备是专为工业CT装置性能校准与精度验证设计的核心计量工具,广泛适用于航空航天、汽车制造、电子元件生产及计量检测机构,可在CT设备装机验收、定期维护及维修后校验场景中使用,校准空间分辨力、密度分辨力、定位光标误差等关键指标,消除成像伪影与测量偏差,为无损检测提供可靠数据支撑。设备采用模块化设计,核心模块含PMMA材质定位模体与高密度复合材质分辨力模体,模体结构稳定、耐辐射磨损,内部金属插件位置误差严格控制在0.5mm内,表面蚀刻精密定位标记,确保校准基准。核心校准参数覆盖多维度性能指标,空间分辨力校准范围1.6-3.8Lp/mm,锥束CT径向校准精度可达50μm,尺寸测量误差≤16.3μm,密度分辨力通过空气间隙法实现低对比度差异检测,完全符合JJF 2043-2023校准规范。设备适配10-450kV管电压范围工业CT机型,支持360°全角度投影数据采集,搭配通用接口可快速对接各类CT扫描平台,无需额外适配配件。操作流程便捷,通过扫描成像与理论坐标比对即可完成参数校准,数据可直接导出追溯,所有组件出厂前经多轮气密性与精度校验,同时支持非标定制模体材质、结构及校准范围,适配精密铸件、动力电池等特殊场景的校准需求。
廊坊玉双仪器设备有限公司,竭诚为您服务,我司可以非标订制符合客户个性化要求的产品和设备。
以上信息仅供参考,更多详情请咨询:廊坊玉双仪器设备有限公司
以上信息仅供参考测试卡:
产品编号:20260112-02